P6094管道增壓泵(24v)
電壓: 24V
揚程: 0-16m
噪音: ≤50dB(A)
調速方式:
IP等級: IPx7
功能: 缺水保護
介質溫度: 0-100℃
產品應用: | 產品特征: |
■ 管道增壓 | ■ 重量:0.50kg |
■ 熱水器增壓 | ■ 防護等級:IPX7 |
■ 智能馬桶增壓 | ■ 絕緣等級:F級 |
| ■ 其它需要承壓及增壓的設備 | ■ 使用壽命:10000小時 |
使用條件: | 特點: |
■ 環(huán)境溫度:-25 - 70℃ | ■ 采用無刷電機,效率高 |
■ 介質溫度:0-100℃ | ■ 高楊程 |
■ 介質:清水 | ■ 壽命長 |
| ■ 使用場所:室內 | ■ 裝機噪音低 |
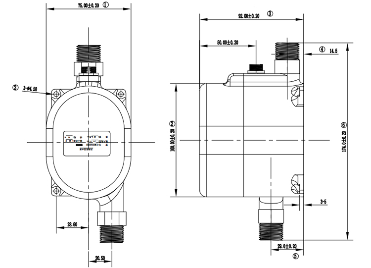
| 外觀尺寸: |
|
|
曲線圖: |
|
| 額定電壓 | 使用電壓范圍 | 額定電流 | 最大揚程 | 最大流量 | 額定功率 | 最大噪音 |
| V | V | A | m | L/min | W | dB(A) |
| 24 | 12-30 | 2.5 | 16 | 22 | 60 | ≤50 |




深鵬水泵-張先生
深鵬科技 - 張先生